This simple project is a little test box that includes 6 LEDs that can be safely driven from the GPIO ports of any MCU. The device is very useful for quick testing of prototypes - a few lines of code can drive LEDs on any spare pin of the prototype to provide a visual indication of what it is doing. I tend to set up these indicators and leave them largely unchanged, and use the serial monitor for detailed debugging information. It works like a very simple logic analyzer.
The box has connections for 5v and Gnd, and an input pin for the six LEDs. The inputs are buffered so that the load on each input is about 1.6mA each: that is well within the 20mA per-pin maximum of the Arduino UNO, and also well within 200mA total for all pins.
DM/SN7407 Hex buffer, or similar (eg, 7417)
6 x LEDs with dropping resistors to suit. This project uses bright
white LEDs with 150Ω resistors. Standard red or green LEDs typically use
220Ω or 330Ω resistors.
Prototype board approx. 4cm x 6cm. Many styles would work.
Headers: 2 x 3-pin, 1 x 6-pin.
3D printed case.
The 7407 medium-scale integrated circuit is a hex
buffer/driver with open collector outputs. Hex simply means there
are six separate buffers/drivers within the chip. Open collector
means that the output is a transistor switch - on or off - that switches
the supply from some external source to ground. In this case the
external voltage source is actually the same 5v supply that powers the
chip, but in other applications it could be a supply of up to about
30v. The maximum current for each switched circuit is 40mA - well
within the 20mA typically required for a LED. These chips are easily
recovered from obsolete equipment - they are large enough to solder with a
typical hobby soldering iron, but small enough to fit into a suitable
device case. Note that there are several variations of this chip, such as
'LS' and 'S', and also 5407 which is a lower voltage military version: any
of these variants is suitable for this project.
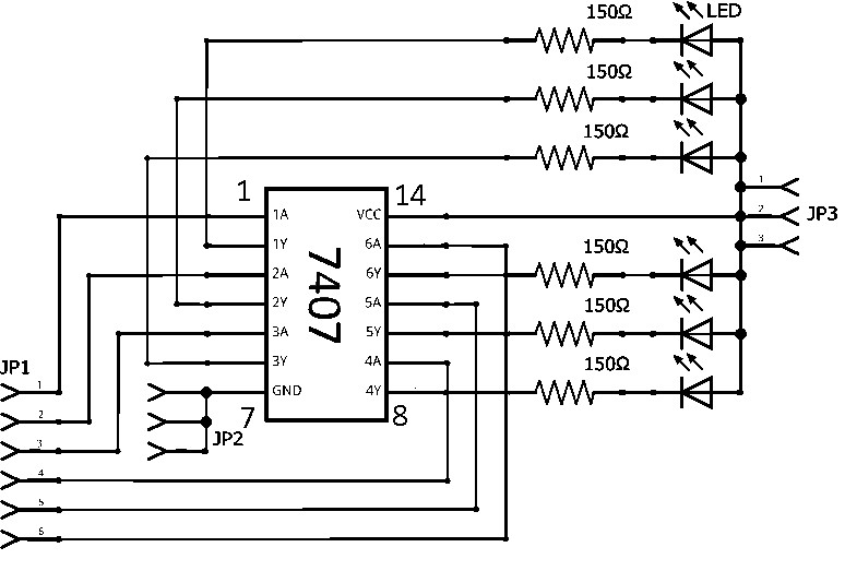
Note that the notch at the end of the chip defines the pin numbering. With the notch at the left-hand end, looking from above, pin numbers start at the lower left-hand corner and proceed anti-clockwise. The lettering is usually aligned with the notch at the left, but do not rely on it.
Pins 7 and 14
of the 7407 are connected to the ground and +5v 3-pin headers
respectively. The 6-pin input header JP1 is connected to the input
pins (1A through 6A) of the 7407, while the output pins (1Y through 6Y)
are connected via resistors to the LEDs and then to the LED driver voltage
at JP3. When the logic level at the input of the 7407 is high then
the corresponding transistor switch turns on and connects the LED to
ground through the GND (pin 7, JP2) of the 7407.
In this configuration the LED driver voltage is the same as the 7407 supply voltage, that is, 5V at pin 14. The alternative arrangement is to disconnect JP3 from pin 14, supply 5V separately to pin 14, and connect the alternate LED supply voltage to JP3. This alternate supply must be no greater than 30V, and LEDS+resistors, or relays or whatever other device is used must be capable of handling the higher voltage. There must be a common ground between each supply, the test unit and the MCU.

The parts are laid out on the prototyping board in a form that keeps the wiring as simple as possible. In this example I have placed the LEDs across the middle, with their resistors running to a buss at the top. The +5v and Gnd headers are off to one side, and the input header is aligned below the LEDs. The board can then be wired point-to-point on the underside. The hookup wire came from an old parallel printer cable. This wire is easily tinned and soldered, the covering is very heat resistant, it is quite flexible, and the multitude of colours means that the wire can indicate the function of the connection, reducing the risk of mistakes. Note that I printed a standoff for the row of LEDs - this helped to keep them properly aligned for height and position.
The case is a simple two-part assembly, with a base that the prototyping board sits down into, and which then screws through countersunk holes from the back into standoffs in the lid. The lid has cutouts for the LEDs and the headers. The screws self-thread into the holes in the lid - a solution that is adequate for such a small case. The screws were slightly too big for the holes in the prototyping board: the corners could be cut away completely because the board is held securely between the base and the lid.
If the +5v supply does not come from the Arduino then it is critical that the GND from the test unit is connected to the Gnd on the Arduino.
This site was last updated 6th
August 2024.